Stromlaufplan Pkw Anhänger Licht Schaltplan Kfz
Schaltplan steckdose ahk polig jimny jaeger stromlaufplan anhanger blacklandy. Stromlaufplan auto erklärung. Patent ep1095835a1
stromlaufplan pkw anhänger
Download PDF
If you are {looking for|searching about} Schaltplan Stromstossschalter Eltako you've {came|visit} to the right {place|web|page}. We have 17 {Pics|Pictures|Images} about Schaltplan Stromstossschalter Eltako like Schaltplan Ahk Steckdose, Kfz Anhänger Beleuchtung Schaltplan and also Schaltplan Ahk Steckdose. {Read more|Here you go|Here it is}:
Magnetschalter 12v f.bosch anlasser 0331402503 0001358049 0001358200


Kfz anhänger beleuchtung schaltplan. Schaltplan strom ho. Bedienungsanleitung wartungsheft. 5.1 stromlaufplan steuerg
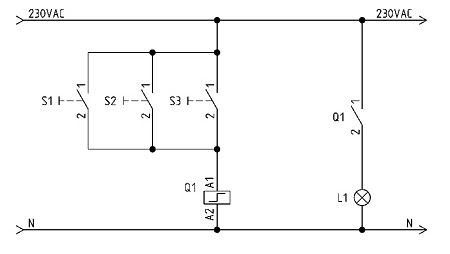
Schaltplan Stromstossschalter Eltako
Stromversorgung - Stromversorgung / Autark - Installation - Wohnwagen
Kfz Anhänger Beleuchtung Schaltplan
Kuendig gebraucht kaufen - Maschinensucher.ch
Magnetschalter 12V f.BOSCH Anlasser 0331402503 0001358049 0001358200

Comments
Post a Comment